Jump to content

skodaclub.bgskoda-auto.bgskoda-auto.bgskoda-auto.bgskoda-auto.bgskoda-auto.bgpepino-racing.comtraxxas

Recommended Posts

Публикувано

Един въпрос по темата:

днес видях Фабия 1, преди фейслифта, която беше направена като при Ауди - светеха предполагам крушките на дългите/от вътрешната страна/, без да светят отзад габаритите.

И това ли става с реле?! :-k

Публикувано
Един въпрос по темата:

днес видях Фабия 1, преди фейслифта, която беше направена като при Ауди - светеха предполагам крушките на дългите/от вътрешната страна/, без да светят отзад габаритите.

И това ли става с реле?! :-k

 

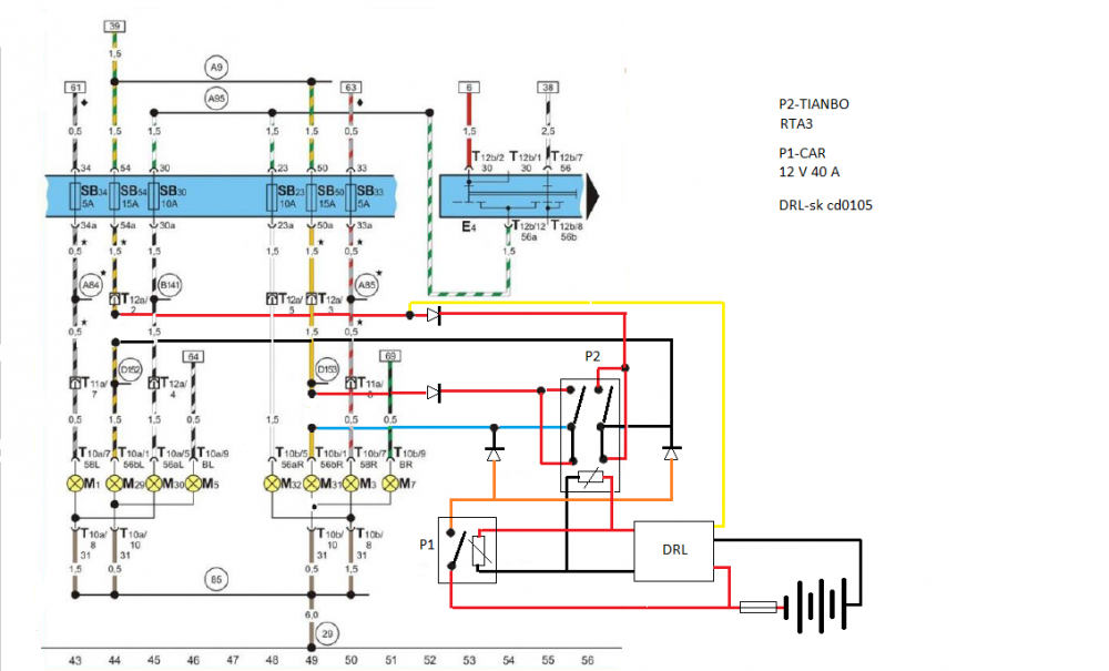
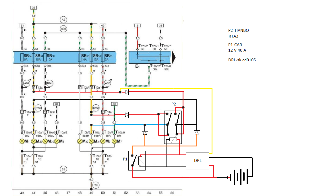
С DRL модул трябва да е направена. viewtopic.php?f=1&t=28835

Публикувано
...

.. беше направена като при Ауди - светеха предполагам крушките на дългите/от вътрешната страна...

 

На снимката която съм пуснал това не са дългите. Доколкото знам те са с би-ксенон, а това което свети са само дневните светлини.

Публикувано
...

.. беше направена като при Ауди - светеха предполагам крушките на дългите/от вътрешната страна...

 

На снимката която съм пуснал това не са дългите. Доколкото знам те са с би-ксенон, а това което свети са само дневните светлини.

Може, въпросът е, че изглеждаше точно така :)

  • 13 години по-късно...

Създайте нов акаунт или се впишете, за да коментирате

За да коментирате, трябва да имате регистрация

Създайте акаунт

Присъединете се към нашата общност. Регистрацията става бързо!

Регистрация на нов акаунт

Вход

Имате акаунт? Впишете се оттук.

Вписване
×
×
  • Създай нов...

Важна информация.

За да използвате този форум, трябва да се съгласите с нашата Политика за лични данни. Трябва да се съгласите и с използването на бисквитки (cookies), които помагат за пълната фунционалност на форума. Може да настроите през вашия браузър кои бисквитки искате да се използват. С натискане на бутон "Потвърди" удостоверявате съгласието си с нашата Политика за лични данни и използването на бисквитки.